電源/地線處理
既使在整個PCB板中的布線完成得都很好,但由于電源、 地線的考慮不周到而引起的干擾,會使產品的性能下降. 布線時盡量加寬電源、地線寬度,最好是地線比電源線寬,它們的關系是:地線>電源線>信號線。對數字電路的PCB可用寬的地導線組成一個回路, 即構成一個地網來使用(模擬電路不能使用該方法)。用大面積敷銅層作地線用,在印制板上把沒被用上的地方都與地相連接作為地線用?;蚴亲龀啥鄬影澹娫?、地線各占用一層。
數字與模擬電路的共地處理
數字電路與模擬電路的共地處理: 數字電路與模擬電路共同存在時,布線需要考慮之間互相干擾問題,特別是地線上的噪音干擾。數字電路的頻率高,模擬電路的敏感度強,對信號線來說,高頻的信號線盡可能遠離敏感的模擬電路器件,對地線來說,整個PCB對外連接界只有一個端口,所以必須在PCB內部進行處理數、模共地的問題,而在板內部數字地和模擬地實際上是分開的它們之間互不相連,只是在PCB與外界連接的端口處(如插頭等), 數字地與模擬地有一點短接,請注意,只有一個連接點。
信號線分布層
信號線布在電源(地)層上: 在多層印制板布線時,由于在信號線層沒有布完的線剩下已經不多,再多加層數就會造成浪費也會給生產增加一定的工作量,成本也相應增加了,為解決這個矛盾,可以考慮在電(地)層上進行布線。首先應考慮用電源層,其次才是地層。因為最好是保留地層的完整性。
信號流向設計
PCB布局設計時,應充分遵守沿信號流向直線放置的設計原則,盡量避免來回環繞。
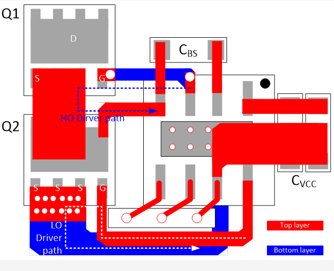
Layout設計建議
1. 驅動芯片與功率MOSFET擺放盡可能靠近;
2. VCC-GND(CVCC) / VB-VS(CBS)電容盡可能靠近芯片;
3. 芯片散熱焊盤加一定數量過孔并且與GND相連接(增加散熱、減小寄生電感);
4. GND布線直接與MOSFET 源極(source)相連接, 且避免與源極(source)-漏極(drain)間大電流路徑相重合, VS 同理GND布線原則(避免功率回路與驅動回路重合);
5. HO/LO布線盡量寬(60mil-100mil,驅動電流比較高,降低寄生電感的影響);
6. LIN/HIN 邏輯輸入端口盡量遠離HS布線(避免過高的電壓擺動干擾到輸入信號)。

*本站所有相關知識僅供大家參考、學習之用,部分來源于互聯網,其版權均歸原作者及網站所有,如無意侵犯您的權利,請與小編聯系,我們將會在第一時間核實,如情況屬實會在3個工作日內刪除;如您有優秀作品,也歡迎聯系小編在我們網站投稿! 7*24小時免費熱線: 135-3081-9739
文章關鍵詞:PCB設計干貨下一篇: PCB拼板
掃碼快速獲取報價
135-3081-9739